نرم افزار مدیریت فرآیندها (BPMS)
وقتی گردش کارها در سازمان پراکنده و کند باشد یا خطا در آن زیاد پیش بیاید، تصمیمگیری و انجام کارها سختتر و اغلب ناقص میماند. نرمافزار BPMS دیدگاه چارگون به سازمان کمک میکند فرایندها را مدیریت و خودکار کند؛ فرقی ندارد ثبت و تصویب درخواستهای مالی باشد یا رسیدگی به مرخصیها، قراردادها، جلسات یا پیگیری اسناد. با نرمافزار مدیریت فرایند، هر مرحله از کارها شفاف و قابل ردیابی جلو میرود و پروندهها دیگر گم نمیشوند یا نیاز به دوبارهکاری پیدا نمیکنند. نتیجه این است که جریانهای اصلی سازمان با سرعت، دقت و اطمینان بیشتر پیش میروند.
فرآیندهای نامشخص و مبهم
وقتی نمیدانید چه کاری، در چه مرحلهای و توسط چه کسی انجام میشود، سردرگمی بین تیمها بالا میرود. تصمیمگیریها روی حدس و گمان استوار میشود و تأخیر، اتلاف زمان و کاهش اعتماد نتیجه آن خواهد بود.
هر فعالیت با مشخصات دقیق زمان اجرا، مسئول انجام و وضعیت فعلی در دسترس است. این شفافیت، کنترل و نظارت را بهبود میبخشد، اعتماد میان واحدها را افزایش میدهد و تصمیمگیریهای مدیریتی را بر پایه اطلاعات واقعی امکانپذیر میکند.

دوبارهکاریهای پرهزینه
خطاهای انسانی و ناهماهنگی بین واحدها باعث میشود حتی یک کار ساده چند بار تکرار شود. منابع انسانی و زمانی هدر میرود و کیفیت خدمات و محصولات کاهش پیدا میکند.
فرمهای ساختیافته، گردش کار خودکار، بررسی اعتبار دادهها و ثبت کامل سوابق، میزان خطا را به حداقل میرساند و کیفیت خروجیها را افزایش میدهد.

تغییرات کند و وابستگی به ابزار خارجی
هر تغییری در فرآیندهای کسبوکار اگر نیاز به هماهنگی پیچیده داشته باشد، چابکی سازمان از بین میرود. بسیاری از نرمافزارهای خارجی یا مبتنی بر ابزارهای متنباز، انعطاف لازم برای بومیسازی سریع و بهبود مستمر ندارند.
هر تغییری را میتوانید سریع و بدون نیاز به فروشنده خارجی انجام دهید. فرآیندها کاملاً متناسب با نیازهای سازمانتان طراحی و بهبود میشوند تا چابکی واقعی در مدیریت فرآیندها داشته باشید.

دادههای پراکنده و تصمیمهای ناقص
وقتی اطلاعات در سامانههای مختلف و جداگانه پخش باشد، هیچ تصویر یکپارچهای از وضعیت واقعی سازمان ندارید. حتی برای یک گزارش ساده باید دادهها را چند بار دستی وارد یا مقایسه کنید؛ این یعنی کندی، خطا و تصمیمهای ناقص.
APIهای استاندارد و قابل توسعه، جریان دادهها را یکپارچه میکند. فرآیندها بهصورت هوشمند با سایر سیستمهای اطلاعاتی تبادل داده دارند، بدون ورود تکراری و هماهنگی دستی.

کارهای تکراری و اتلاف انرژی تیم
پیگیریهای دستی و هماهنگیهای غیرضروری، وقت و انرژی کارکنان را میگیرد. این هدررفت پنهان، بهرهوری را کاهش میدهد، فرسودگی ایجاد میکند و تمرکز تیم را از فعالیتهای کلیدی و ارزشآفرین دور میکند.
فعالیتهای تکراری و غیرضروری حذف میشوند. اجرای فرآیندها سریعتر، هزینههای پنهان کمتر و خروجی با همان منابع انسانی بیشتر خواهد شد.

نرمافزار مدیریت فرایندها BPMS با اتوماسیون وظایف تکراری، بسیاری از فرآیندهای اداری کسبوکارها را بهبود میدهد و سرعت میبخشد.
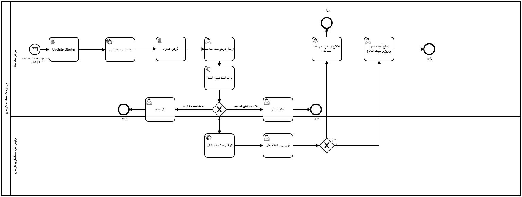
فرآیند “درخواست مساعده کارکنان” پیش از این بهصورت دستی و با استفاده از فرمهای کاغذی انجام میگرفت و با مشکلاتی از جمله تأخیر در بررسی، نبود امکان پیگیری لحظهای، عدم ثبت سوابق شفاف و دشواری در تهیه گزارشهای مدیریتی مواجه بود. این فرآیند با هدف رفع این چالشها در بستر سیستم مدیریت فرآیندهای کسبوکار (BPMS) طراحی مجدد و مکانیزه شد. مکانیزاسیون این فرآیند نهتنها باعث افزایش سرعت، دقت و قابلیت پیگیری، بلکه زمینهساز افزایش رضایت کارکنان و مدیران مالی نیز شد.

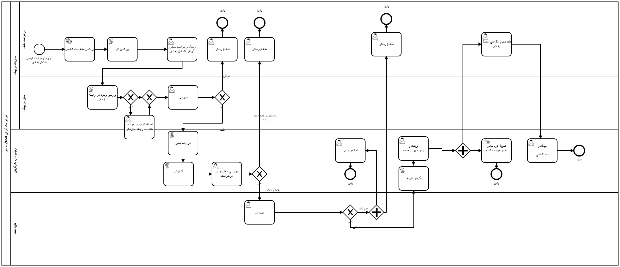
فرآیند صدور گواهی اشتغال به کار یکی از نیازهای پرکاربرد در سازمانهاست که بهمنظور معرفی کارکنان به نهادهایی مانند بانکها، سفارتخانهها و سایر ارگانهای رسمی انجام میشود. در گذشته، این فرآیند بهصورت دستی انجام شده و همواره با مشکلاتی نظیر کندی در صدور نامه، خطا در اطلاعات، عدم ثبت سوابق درخواستها و دشواری در پیگیری روبهرو بود. در پروژهای موفق، این فرآیند با بهرهگیری از بستر BPMS بهصورت کامل مکانیزه و به یکی از نمونههای موفق تحول دیجیتال در حوزه اداری شرکت تبدیل شد.

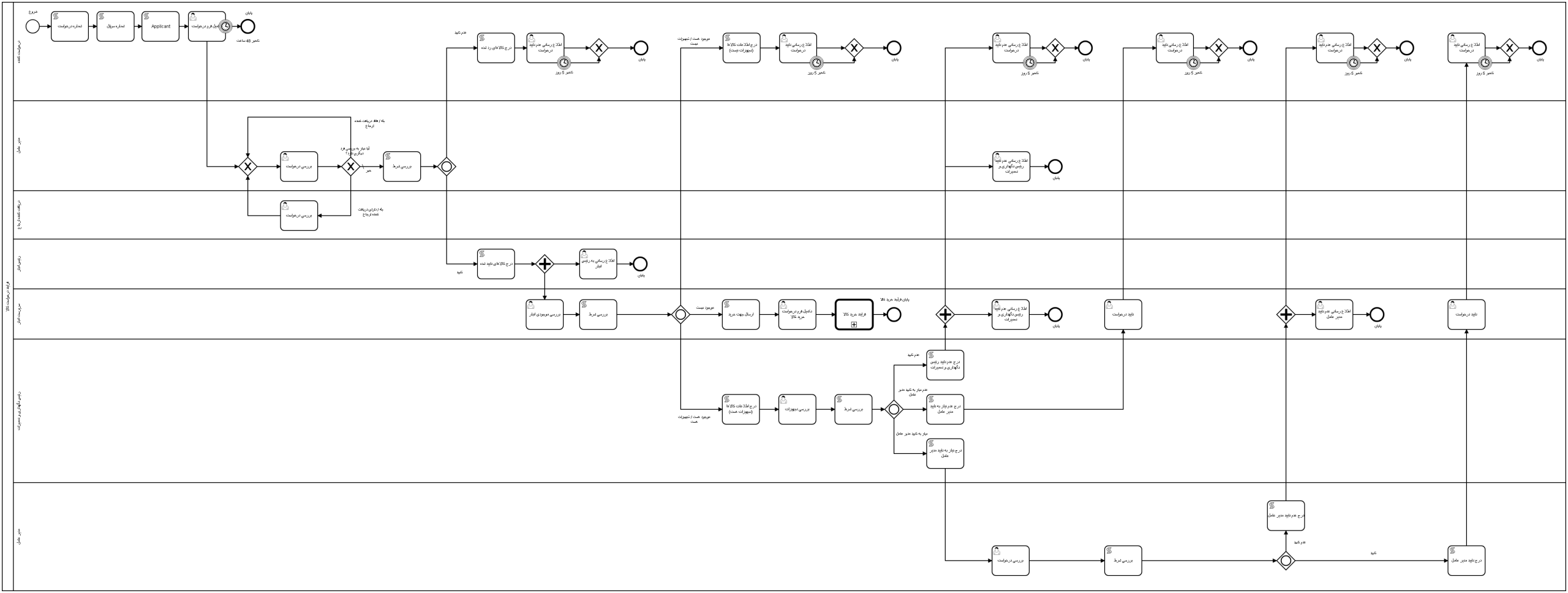
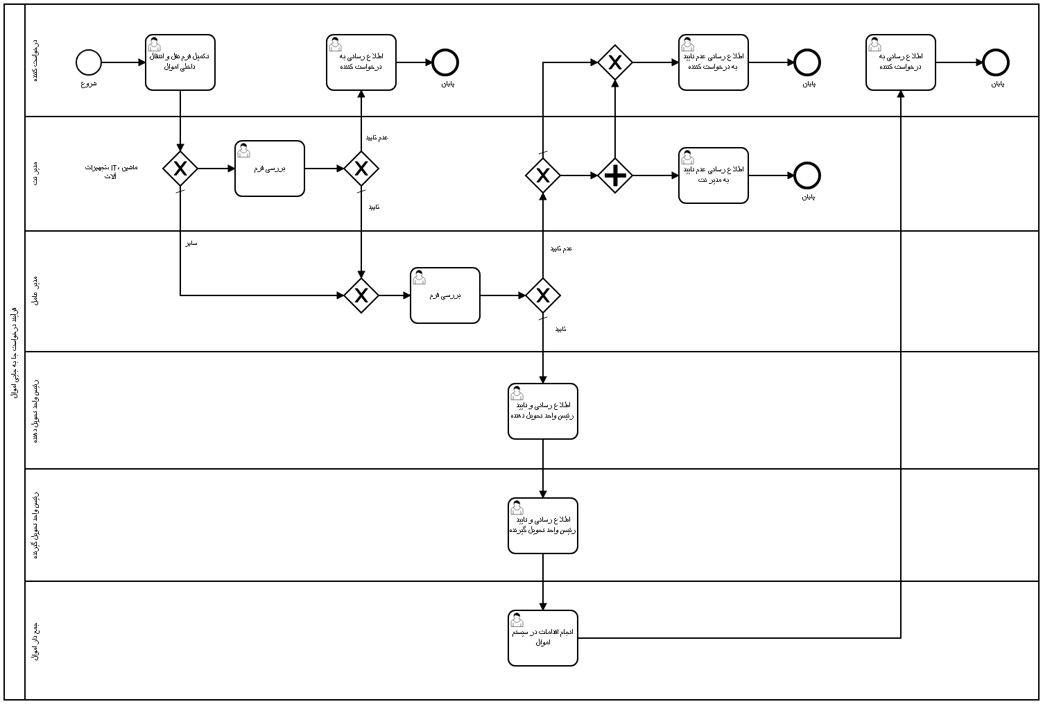
فرآیند درخواست کالا یکی از فرآیندهای پشتیبانی حیاتی در سازمانها، بهویژه در محیطهای تولیدی و صنعتی است. این فرآیند با هدف تأمین کالاها و اقلام موردنیاز کارکنان یا خطوط تولید از طریق انبارهای سازمان اجرا میشود. پیش از مکانیزه شدن، این درخواستها اغلب بهصورت کاغذی و غیرشفاف انجام میشد و چالشهایی مانند تأخیر در تأمین، عدم ثبت دقیق سوابق، گردش ناکارآمد اسناد و نبود امکان پیگیری وضعیت درخواستها را به همراه داشت. با استقرار موفق این فرآیند در بستر سیستم مدیریت فرآیندهای کسبوکار (BPMS)، این مسائل برطرف شده و فرایند تأمین داخلی کالا ساختارمند و قابل ردیابی شده است.

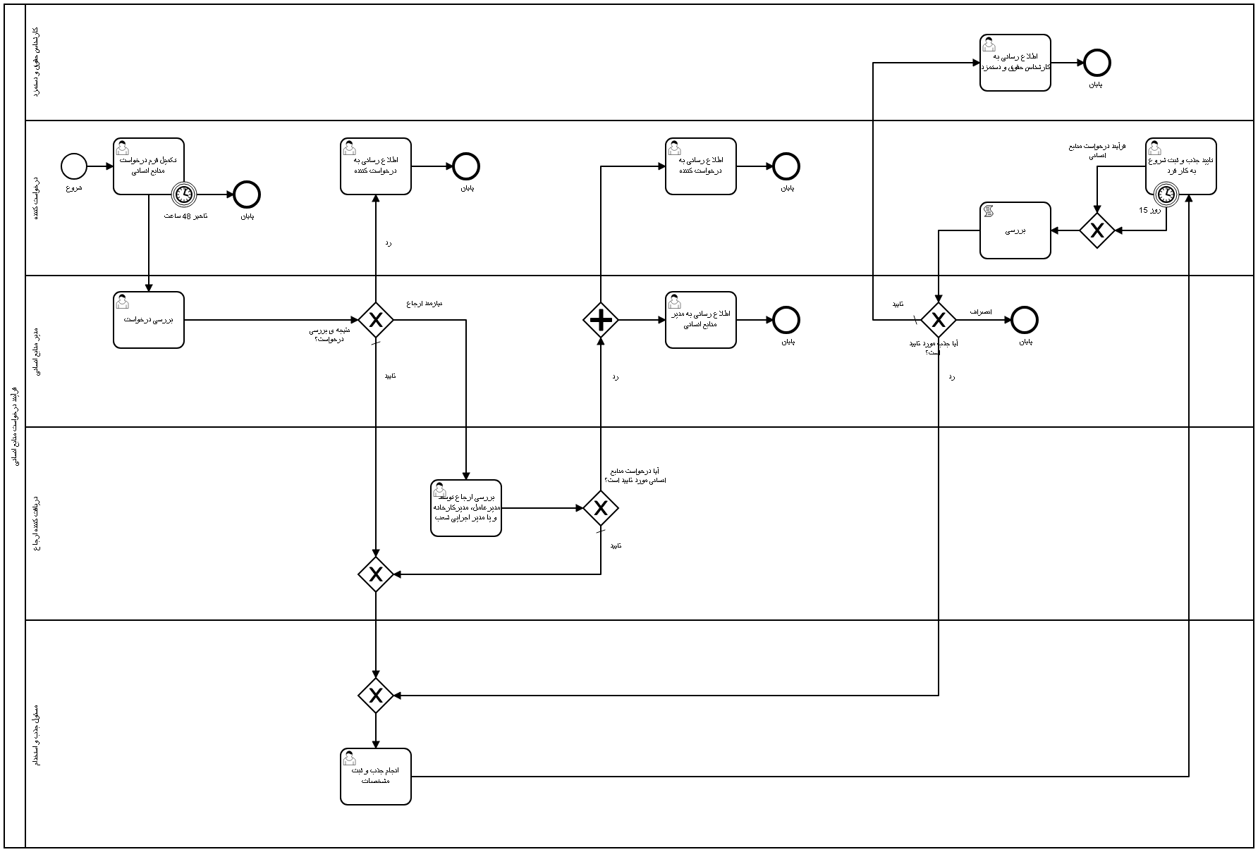
فرآیند درخواست نیروی انسانی یکی از فرآیندهای راهبردی در سازمانهاست که در مواقع نیاز به جذب نیروی جدید، چه بهمنظور جایگزینی نیروی قبلی و چه در راستای توسعه تیمها، آغاز میشود. پیش از مکانیزه شدن، این فرآیند بهصورت کاغذی و پراکنده انجام میشد و همواره با مشکلاتی از جمله نبود مسیر مشخص برای تأییدها، تأخیر در بررسی، ثبت نامنظم اطلاعات و دشواری در پیگیری وضعیت درخواست مواجه بود. با پیادهسازی موفق این فرآیند در سامانه مدیریت فرآیندهای کسبوکار (BPMS)، جریان کاری درخواست جذب نیرو بهصورت یکپارچه، دقیق و قابل ردیابی اجرا شده و کیفیت پاسخگویی به نیازهای منابع انسانی سازمان بهطور چشمگیری افزایش یافته است.

فرآیند درخواست پرداخت یکی از مهمترین و حساسترین فرآیندهای پشتیبانی مالی در سازمانهاست که بهمنظور اجرای پرداختهای مالی متنوع شرکت از جمله پرداخت به تأمینکنندگان، پیمانکاران، خدمات دریافتی یا هزینههای جاری انجام میشود. پیش از مکانیزه شدن، این فرآیند بهصورت کاغذی انجام میشد و همواره با چالشهایی مانند تأخیر در گردش مکاتبات، عدم شفافیت در مراحل تأیید، احتمال بروز خطای انسانی و نبود ثبت و ردیابی کامل اطلاعات مواجه بود. با اجرای موفق این فرآیند در بستر سیستم BPMS، تمام این مشکلات برطرف شده و تحول قابلتوجهی در مدیریت و کنترل پرداختهای سازمانی ایجاد شده است.

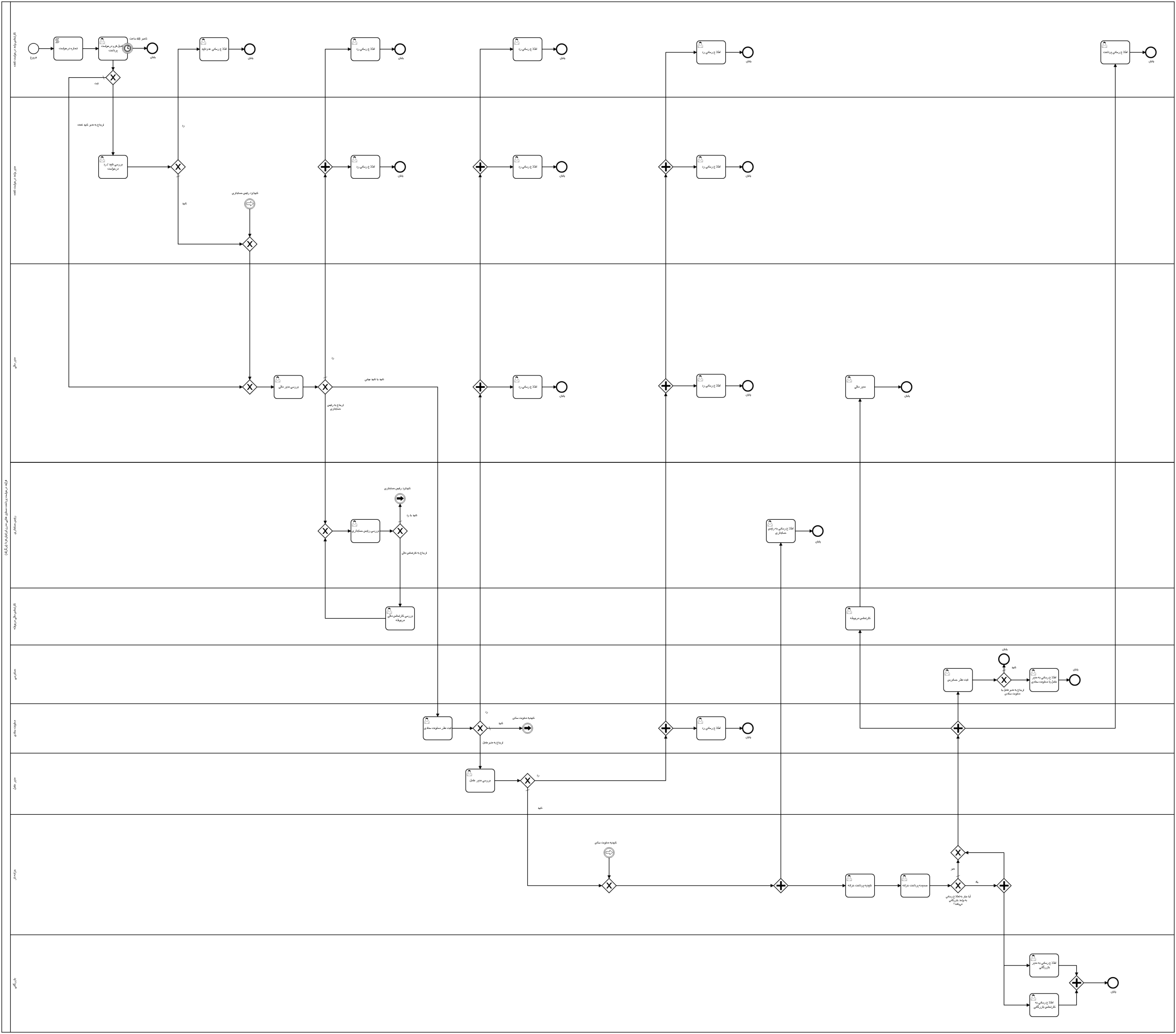
فرآیند جابهجایی اموال یکی از فرآیندهای کلیدی در حوزه مدیریت داراییهای سازمانی است که بهمنظور انتقال تجهیزات، ماشینآلات یا سایر اموال بین واحدهای مختلف سازمان مورد استفاده قرار میگیرد. در روش سنتی، اجرای این فرآیند با چالشهایی مانند عدم ثبت دقیق سوابق نقل و انتقال، نبود شفافیت در زنجیره تأییدها، احتمال گم شدن اسناد و دشواری در پیگیری وضعیت درخواست همراه بود. در پروژهای موفق، این فرآیند با بهرهگیری از سامانه مدیریت فرآیندهای کسبوکار (BPMS) بازطراحی و مکانیزه شد تا ضمن افزایش شفافیت، امنیت و دقت، ردیابی و کنترل داراییها در سازمان نیز تسهیل شود.


اپلیکیشن BPMS دیدگاه نسخه همراه نرمافزار مدیریت فرایندهای کسب و کار دیدگاه است که اجازه میدهد تمام مراحل ثبت، بررسی و تصویب کارها بدون وابستگی به سیستم دسکتاپ انجام شود. این اپ، گردش کارها را از هر نقطه و در هر زمان در دسترس قرار میدهد؛ چه ثبت درخواست مالی باشد، چه تأیید مرخصی یا بررسی قراردادها. طراحی آن به گونهای است که وظایف در صف کار، روند فرایندها و ابلاغها بهصورت لحظهای قابل مشاهده و پیگیری هستند و کاربران میتوانند مدیریت کامل کارهای خود را با سرعت و دقت بیشتری انجام دهند.
با بهرهگیری از استانداردهای امنیتی نسخه وب دیدگاه، اپلیکیشن اطمینان میدهد که دادهها و اقدامات سازمانی در فضایی محافظتشده انجام شوند. نتیجه این است که تصمیمگیریها و اجرای وظایف از محدودهی میزکار فراتر میرود و سازمان میتواند بدون وقفه، فرایندهای حیاتی خود را پیش ببرد. این رویکرد باعث کاهش تأخیر، حذف دوبارهکاری و افزایش شفافیت در جریان کارها میشود و بها دادن به چابکی و بهرهوری را به یک تجربه عملی و ملموس تبدیل میکند.




















